Nombre total de pages vues

dimanche 26 février 2023

E2eb 017ha Wiring Diagram, Bestseller: Nordyne Intertherm E2eb 012ha Wiring Diagram

E2eb-017ha Wiring Diagram Fireye Wiring E110 Honeywell E100 Hookup

Wiring audi e20 schematic s2 diagram lighting electric control lookup schematics

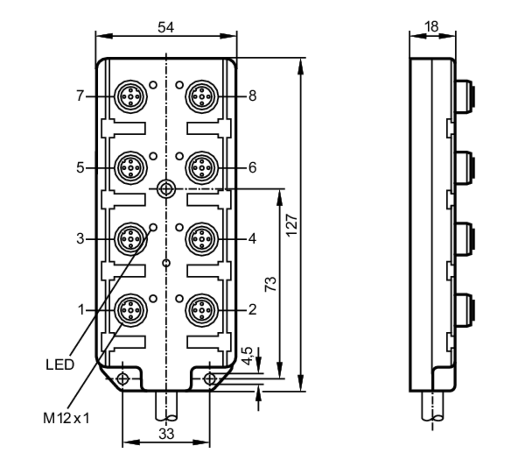
Wiring ifm block connection electrical. Wiring flt intertherm e2eb. Intertherm e2eb 012ha wiring diagram. E1eb nordyne

E210 Series Switches | Ad-Tech CCI

E210 Series Switches | Ad-Tech CCI

Nordyne Air Conditioner Wiring Diagram - Wiring Diagram

Nordyne Air Conditioner Wiring Diagram - Wiring Diagram

E1eb-015ha Wiring Diagram

E1eb-015ha Wiring Diagram

Intertherm E2eb 015ha Wiring Diagram To Sequence

Intertherm E2eb 015ha Wiring Diagram To Sequence

Bestseller: Nordyne Intertherm E2eb 012ha Wiring Diagram

Bestseller: Nordyne Intertherm E2eb 012ha Wiring Diagram

Aucun commentaire: